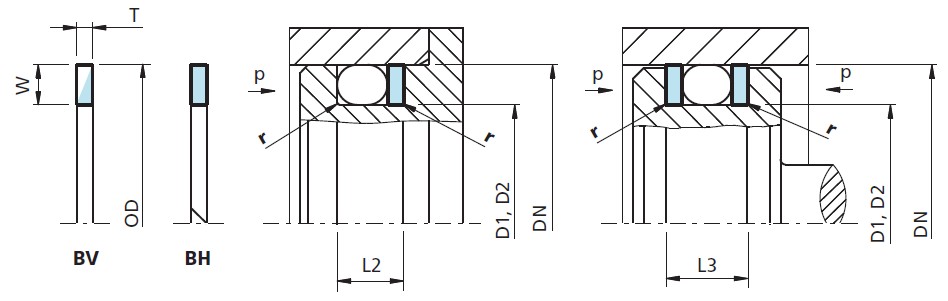
擋圈1型
.jpg)
| 缸孔ø | 溝槽ø | 溝槽寬度 | 半徑 | 擋圈尺寸 | 訂貨號 | O-形圈件號 | O-形圈尺寸 | ||
| DN H8 | D1 h9 | L2+0.2 | L3+0.2 | r±0.2 | OD x W x T | 切割 | 未切割 | d1 x d2 | |
| 6 | 3.4 | 3.8 | 5.2 | 0.25 | 6.0 x 1.3 x 1.4 | BH1300060 | BV1300060 | ORAR00006 | 2.90 x 1.78 |
| 6 | 3.8 | 3 | 4 | 0.25 | 6.0 x 1.1 x 1.0 | BH1100060 | BV1100060 | OR1500350 | 3.50 x 1.50 |
| 8 | 5.8 | 3 | 4 | 0.25 | 8.0 x 1.1 x 1.0 | BH1100080 | BV1100080 | OR1500550 | 5.50 x 1.50 |
| 10 | 7.8 | 3 | 4 | 0.25 | 10.0 x 1.1 x 1.0 | BH1100100 | BV1100100 | OR1500750 | 7.50 x 1.50 |
| 12 | 9 | 4.1 | 5.5 | 0.25 | 12.0 x 1.5 x 1.4 | BH1500120 | BV1500120 | OR2000850 | 8.50 x 2.00 |
| 12 | 9.4 | 3.8 | 5.2 | 0.25 | 12.0 x 1.3 x 1.4 | BH1300120 | BV1300120 | ORAR00012 | 9.25 x 1.78 |
| 14 | 11 | 4.1 | 5.5 | 0.25 | 14.0 x 1.5 x 1.4 | BH1500140 | BV1500140 | OR2001000 | 10.00 x 2.00 |
| 14 | 11.4 | 3.8 | 5.2 | 0.25 | 14.0 x 1.3 x 1.4 | BH1300140 | BV1300140 | ORAR00013 | 10.82 x 1.78 |
| 15 | 12 | 4.1 | 5.5 | 0.25 | 15.0 x 1.5 x 1.4 | BH1500150 | BV1500150 | OR2001100 | 11.00 x 2.00 |
| 15 | 12.4 | 3.8 | 5.2 | 0.25 | 15.0 x 1.3 x 1.4 | BH1300150 | BV1300150 | ORAR00014 | 12.42 x 1.78 |
| 16 | 13 | 4.1 | 5.5 | 0.25 | 16.0 x 1.5 x 1.4 | BH1500160 | BV1500160 | OR2001200 | 12.00 x 2.00 |
| 16 | 13.4 | 3.8 | 5.2 | 0.25 | 16.0 x 1.3 x 1.4 | BH1300160 | BV1300160 | ORAR00015 | 14.00 x 1.78 |
| 18 | 15 | 4.1 | 5.5 | 0.25 | 18.0 x 1.5 x 1.4 | BH1500180 | BV1500180 | OR2001400 | 14.00 x 2.00 |
| 18 | 15.4 | 3.8 | 5.2 | 0.25 | 18.0 x 1.3 x 1.4 | BH1300180 | BV1300180 | ORAR00016 | 15.60 x 1.78 |
| 20 | 17 | 4.1 | 5.5 | 0.25 | 20.0 x 1.5 x 1.4 | BH1500200 | BV1500200 | OR2001600 | 16.00 x 2.00 |
| 20 | 17.4 | 3.8 | 5.2 | 0.25 | 20.0 x 1.3 x 1.4 | BH1300200 | BV1300200 | ORAR00017 | 17.17 x 1.78 |
| 22 | 19 | 4.1 | 5.5 | 0.25 | 22.0 x 1.5 x 1.4 | BH1500220 | BV1500220 | OR2001600 | 16.00 x 2.00 |
| 22 | 19.4 | 3.8 | 5.2 | 0.25 | 22.0 x 1.3 x 1.4 | BH1300220 | BV1300220 | ORAR00018 | 18.77 x 1.78 |
| 25 | 22 | 4.1 | 5.5 | 0.25 | 25.0 x 1.5 x 1.4 | BH1500250 | BV1500250 | OR2002100 | 21.00 x 2.00 |
| 25 | 22.4 | 3.8 | 5.2 | 0.25 | 25.0 x 1.3 x 1.4 | BH1300250 | BV1300250 | ORAR00020 | 21.95 x 1.78 |
| 28 | 23.4 | 5.4 | 6.8 | 0.25 | 28.0 x 2.3 x 1.4 | BH2300280 | BV2300280 | OR3002200 | 22.00 x 3.00 |
| 28 | 24 | 5 | 6.4 | 0.25 | 28.0 x 2.0 x 1.4 | BH2000280 | BV2000280 | ORAR00119 | 23.47 x 2.62 |
| 30 | 25.4 | 5.4 | 6.8 | 0.25 | 30.0 x 2.3 x 1.4 | BH2300300 | BV2300300 | OR3002400 | 24.00 x 2.00 |
| 30 | 26 | 5 | 6.4 | 0.25 | 30.0 x 2.0 x 1.4 | BH2000300 | BV2000300 | ORAR00120 | 25.07 x 2.62 |
| 32 | 27.4 | 5.4 | 6.8 | 0.25 | 32.0 x 2.3 x 1.4 | BH2300320 | BV2300320 | OR3002600 | 26.00 x 3.00 |
| 32 | 28 | 5 | 6.4 | 0.25 | 32.0 x 2.0 x 1.4 | BH2000320 | BV2000320 | ORAR00121 | 26.64 x 2.62 |
| 35 | 30.4 | 5.4 | 6.8 | 0.25 | 35.0 x 2.3 x 1.4 | BH2300350 | BV2300350 | OR3002900 | 29.30 x 3.00 |
| 35 | 31 | 5 | 6.4 | 0.25 | 35.0 x 2.0 x 1.4 | BH2000350 | BV2000350 | ORAR00123 | 29.82 x 2.62 |
| 40 | 35.4 | 5.4 | 6.8 | 0.25 | 40.0 x 2.3 x 1.4 | BH2300400 | BV2300400 | OR3003400 | 24.00 x 3.00 |
| 40 | 36 | 5 | 6.4 | 0.25 | 40.0 x 2.0 x 1.4 | BH2000400 | BV2000400 | ORAR00126 | 34.59 x 2.62 |
| 42 | 37.4 | 5.4 | 6.8 | 0.25 | 42.0 x 2.3 x 1.4 | BH2300420 | BV2300420 | OR3003600 | 36.00 x 3.00 |
| 42 | 38 | 5 | 6.4 | 0.25 | 42.0 x 2.0 x 1.4 | BH2000420 | BV2000420 | ORAR00127 | 36.17 x 2.62 |
| 45 | 40 | 5.4 | 6.8 | 0.25 | 45.0 x 2.3 x 1.4 | BH2300450 | BV2300450 | OR3003900 | 39.00 x 3.00 |
| 45 | 41 | 5 | 6.4 | 0.25 | 45.0 x 2.0 x 1.4 | BH2000450 | BV2000450 | ORAR00129 | 39.34 x 2.62 |
| 48 | 41.8 | 6.9 | 8.6 | 0.25 | 48.0 x 3.1 x 1.7 | BH3100480 | BV3100480 | OR4004000 | 40.00 x 4.00 |
| 48 | 42.6 | 6.2 | 7.6 | 0.25 | 48.0 x 2.7 x 1.4 | BH2700480 | BV2700480 | ORAR00223 | 40.87 x 3.53 |
| 50 | 43.8 | 6.9 | 8.6 | 0.25 | 50.0 x 3.1 x 1.7 | BH3100500 | BV3100500 | OR4004200 | 42.00 x 4.00 |
| 50 | 44.6 | 6.2 | 7.6 | 0.25 | 50.0 x 2.7 x 1.4 | BH2700500 | BV2700500 | ORAR00224 | 44.04 x 3.53 |
| 52 | 45.8 | 6.9 | 8.6 | 0.25 | 52.0 x 3.1 x 1.7 | BH3100520 | BV3100520 | OR4004400 | 44.00 x 4.00 |
| 52 | 46.6 | 6.2 | 7.6 | 0.25 | 52.0 x 2.7 x 1.4 | BH2700520 | BV2700520 | ORAR00224 | 44.04 x 3.53 |
| 55 | 48.8 | 6.9 | 8.6 | 0.25 | 55.0 x 3.1 x 1.7 | BH3100550 | BV3100550 | OR4004700 | 47.00 x 4.00 |
| 55 | 49.6 | 6.2 | 7.6 | 0.25 | 55.0 x 2.7 x 1.4 | BH2700550 | BV2700550 | ORAR00225 | 47.22 x 3.53 |
| 60 | 53.8 | 6.9 | 8.6 | 0.25 | 60.0 x 3.1 x 1.7 | BH3100600 | BV3100600 | OR4005200 | 52.00 x 4.00 |
| 60 | 54.6 | 6.2 | 7.6 | 0.25 | 60.0 x 2.7 x 1.4 | BH2700600 | BV2700600 | ORAR00227 | 53.57 x 3.53 |
| 63 | 56.8 | 6.9 | 8.6 | 0.25 | 63.0 x 3.1 x 1.7 | BH3100630 | BV3100630 | OR4005500 | 55.00 x 4.00 |
| 63 | 57.6 | 6.2 | 7.6 | 0.25 | 63.0 x 2.7 x 1.4 | BH2700630 | BV2700630 | ORAR00228 | 56.74 x 3.53 |
| 65 | 58.8 | 6.9 | 8.6 | 0.25 | 65.0 x 3.1 x 1.7 | BH3100650 | BV3100650 | OR4005700 | 57.00 x 4.00 |
| 65 | 59.6 | 6.2 | 7.6 | 0.25 | 65.0 x 2.7 x 1.4 | BH2700650 | BV2700650 | ORAR00228 | 56.74 x 3.53 |
| 70 | 63.8 | 6.9 | 8.6 | 0.25 | 70.0 x 3.1 x 1.7 | BH3100700 | BV3100700 | OR4006200 | 62.00 x 4.00 |
| 70 | 64.6 | 6.2 | 7.6 | 0.25 | 70.0 x 2.7 x 1.4 | BH2700700 | BV2700700 | ORAR00230 | 63.09 x 3.53 |
| 75 | 68.8 | 6.9 | 8.6 | 0.25 | 75.0 x 3.1 x 1.7 | BH3100750 | BV3100750 | OR4006700 | 67.00 x 4.00 |
| 75 | 69.6 | 6.2 | 7.6 | 0.25 | 75.0 x 2.7 x 1.4 | BH2700750 | BV2700750 | ORAR00231 | 66.27 x 3.53 |
| 80 | 73.8 | 6.9 | 8.6 | 0.25 | 80.0 x 3.1 x 1.7 | BH3100800 | BV3100800 | OR4007200 | 72.00 x 4.00 |
| 80 | 74.6 | 6.2 | 7.6 | 0.25 | 80.0 x 2.7 x 1.4 | BH2700800 | BV2700800 | ORAR00233 | 72.62 x 3.53 |
| 85 | 78.8 | 6.9 | 8.6 | 0.25 | 85.0 x 3.1 x 1.7 | BH3100850 | BV3100850 | OR4007700 | 77.00 x 4.00 |
| 85 | 79.6 | 6.2 | 7.6 | 0.25 | 85.0 x 2.7 x 1.4 | BH2700850 | BV2700850 | ORAR00235 | 78.97 x 3.53 |
| 90 | 81.4 | 9 | 10.9 | 0.25 | 90.0 x 4.3 x 1.7 | BH4300900 | BV4300900 | ORAR00338 | 78.74 x 5.33 |
| 90 | 82 | 8.3 | 10 | 0.25 | 90.0 x 4.0 x 1.7 | BH4000900 | BV4000900 | OR5008000 | 80.00 x 5.00 |
| 95 | 86.4 | 9 | 10.9 | 0.25 | 95.0 x 4.3 x 1.7 | BH4300950 | BV4300950 | ORAR00340 | 85.09 x 5.33 |
| 95 | 87 | 8.3 | 10 | 0.25 | 95.0 x 4.0 x 1.7 | BH4000950 | BV4000950 | OR5008000 | 80.00 x 5.00 |
| 100 | 91.4 | 9 | 10.9 | 0.25 | 100.0 x 4.3 x 1.7 | BH4301000 | BV4301000 | ORAR00342 | 91.44 x 5.33 |
| 100 | 92 | 8.3 | 10 | 0.25 | 100.0 x 4.0 x 1.7 | BH4001000 | BV4001000 | OR5009000 | 90.00 x 5.00 |
| 105 | 96.4 | 9 | 10.9 | 0.25 | 105.0 x 4.3 x 1.7 | BH4301050 | BV4301050 | ORAR00343 | 94.62 x 5.33 |
| 105 | 97 | 8.3 | 10 | 0.25 | 105.0 x 4.0 x 1.7 | BH4001050 | BV4001050 | OR5009500 | 95.00 x 5.00 |
| 110 | 101.4 | 9 | 10.9 | 0.25 | 110.0 x 4.3 x 1.7 | BH4301100 | BV4301100 | ORAR00345 | 100.97 x 5.33 |
| 110 | 102 | 8.3 | 10 | 0.25 | 110.0 x 4.0 x 1.7 | BH4001100 | BV4001100 | OR5010000 | 100.00 x 5.00 |
| 115 | 106.4 | 9 | 10.9 | 0.25 | 115.0 x 4.3 x 1.7 | BH4301150 | BV4301150 | ORAR00346 | 104.14 x 5.33 |
| 115 | 107 | 8.3 | 10 | 0.25 | 115.0 x 4.0 x 1.7 | BH4001150 | BV4001150 | OR5010500 | 105.00 x 5.00 |
| 120 | 111.4 | 9 | 10.9 | 0.25 | 120.0 x 4.3 x 1.7 | BH4301200 | BV4301200 | ORAR00348 | 110.49 x 5.33 |
| 120 | 112 | 8.3 | 10 | 0.25 | 120.0 x 4.0 x 1.7 | BH4001200 | BV4001200 | OR5011000 | 110.00 x 5.00 |
| 125 | 116.4 | 9 | 10.9 | 0.25 | 125.0 x 4.3 x 1.7 | BH4301250 | BV4301250 | ORAR00349 | 113.67 x 5.33 |
| 125 | 117 | 8.3 | 10 | 0.25 | 125.0 x 4.0 x 1.7 | BH4001250 | BV4001250 | OR5011500 | 115.00 x 5.00 |
| 130 | 121.4 | 9 | 10.9 | 0.25 | 130.0 x 4.3 x 1.7 | BH4301300 | BV4301300 | ORAR00351 | 120.02 x 5.33 |
| 130 | 122 | 8.3 | 10 | 0.25 | 130.0 x 4.0 x 1.7 | BH4001300 | BV4001300 | OR5012000 | 120.00 x 5.00 |
| 135 | 123.4 | 12.3 | 15.1 | 0.25 | 135.0 x 5.8 x 2.5 | BH5801350 | BV5801350 | ORAR00427 | 120.02 x 7.00 |
| 140 | 128.4 | 12.3 | 15.1 | 0.25 | 140.0 x 5.8 x 2.5 | BH5801400 | BV5801400 | ORAR00429 | 126.37 x 7.00 |
| 150 | 138.4 | 12.3 | 15.1 | 0.25 | 150.0 x 5.8 x 2.5 | BH5801500 | BV5801500 | ORAR00432 | 135.89 x 7.00 |
| 160 | 148.4 | 12.3 | 15.1 | 0.25 | 160.0 x 5.8 x 2.5 | BH5801600 | BV5801600 | ORAR00435 | 145.42 x 7.00 |
| 170 | 158.4 | 12.3 | 15.1 | 0.25 | 170.0 x 5.8 x 2.5 | BH5801700 | BV5801700 | ORAR00438 | 158.12 x 7.00 |
| 180 | 168.4 | 12.3 | 15.1 | 0.25 | 180.0 x 5.8 x 2.5 | BH5801800 | BV5801800 | ORAR00439 | 164.47 x 7.00 |
| 190 | 178.4 | 12.3 | 15.1 | 0.25 | 190.0 x 5.8 x 2.5 | BH5801900 | BV5801900 | ORAR00441 | 177.17 x 7.00 |
| 200 | 188.4 | 12.3 | 15.1 | 0.25 | 200.0 x 5.8 x 2.5 | BH5802000 | BV5802000 | ORAE00442 | 183.52 x 7.00 |
| 210 | 198.4 | 12.3 | 15.1 | 0.25 | 210.0 x 5.8 x 2.5 | BH5802100 | BV5802100 | ORAR00444 | 196.22 x 7.00 |
| 220 | 208.4 | 12.3 | 15.1 | 0.25 | 220.0 x 5.8 x 2.5 | BH5802200 | BV5802200 | ORAR00445 | 202.57 x 7.00 |
| 230 | 218.4 | 12.3 | 15.1 | 0.25 | 230.0 x 5.8 x 2.5 | BH5802300 | BV5802300 | ORAR00446 | 215.27 x 7.00 |
| 240 | 228.4 | 12.3 | 15.1 | 0.25 | 240.0 x 5.8 x 2.5 | BH5802400 | BV5802400 | ORAR00447 | 227.97 x 7.00 |
| 250 | 238.4 | 12.3 | 15.1 | 0.25 | 250.0 x 5.8 x 2.5 | BH5802500 | BV5802500 | ORAR00448 | 240.67 x 7.00 |
| 280 | 268.4 | 12.3 | 15.1 | 0.25 | 280.0 x 5.8 x 2.5 | BH5802800 | BV5802800 | ORAR00450 | 266.07 x 7.00 |
| 300 | 288.4 | 12.3 | 15.1 | 0.25 | 300.0 x 5.8 x 2.5 | BH5803000 | BV5803000 | ORAR00451 | 278.77 x 7.00 |
| 320 | 308.4 | 12.3 | 15.1 | 0.25 | 320.0 x 5.8 x 2.5 | BH5803200 | BV5803200 | ORAR00453 | 304.17 x 7.00 |
| 350 | 338.4 | 12.3 | 15.1 | 0.25 | 350.0 x 5.8 x 2.5 | - | BV5803500 | ORAR00455 | 329.57 x 7.00 |
| 400 | 388.4 | 12.3 | 15.1 | 0.25 | 400.0 x 5.8 x 2.5 | - | BV5804000 | ORAR00459 | 380.37 x 7.00 |
| 420 | 408.4 | 12.3 | 15.1 | 0.25 | 420.0 x 5.8 x 2.5 | - | BV5804200 | ORAR00461 | 405.26 x 7.00 |
| 450 | 438.4 | 12.3 | 15.1 | 0.25 | 450.0 x 5.8 x 2.5 | - | BV5804500 | ORAR00463 | 430.66 x 7.00 |
| 480 | 468.4 | 12.3 | 15.1 | 0.25 | 480.0 x 5.8 x 2.5 | - | BV5804800 | ORAR00465 | 456.06 x 7.00 |
| 500 | 488.4 | 12.3 | 15.1 | 0.25 | 500.0 x 5.8 x 2.5 | - | BV5805000 | ORAR00467 | 481.46 x 7.00 |
